| Author |
Message |
|
Makten
Joined: 05 Aug 2004, 13:51 Posts: 2124
|
 KLD GT30-H
Jag köpte en begagnad dylik igår för en struntsumma och är både imponerad och förbryllad. Den verkar vara en klon av Peavey Classic 30 fast med en "global" mastervolym och presence-reglage. Frågan är vad de sistnämnda ska vara bra för, för det tog mig inte lång stund att lista ut att det är nästan omöjligt att överstyra den rena kanalen med förstegsdist ändå. Allt verkar låta mycket bättre (som en Peavey?) med master och presence på 10 och sen rattar man övrigt från försteget. Åsikter om detta? Vad är tanken med mastern tro? Den rena kanalen låter mycket trevligt tycker jag, särskilt när man drar på lite. Distkanalen däremot är lite väl "taggig" i sin karaktär. Hård klippning, ganska mycket Marshall på nåt sätt. Är det nåt man kan göra för att mjuka upp den en smula? Det är alltså inte mängden dist som är problemet (går att dra ner till noll), utan att den klipper hårt. Lite getingbo liksom. Spelar i nuläget med ren kanal och distpedal istället, och det blir ju lite tragikomiskt. Reverbet verkar helt dött, men jag har insett att det styrs av footswitchen. Som inte finns. Så jag undrar om det kan vara det eller nåt annat. Man ser reverbtanken bakom rören och där finns RCA-kontaktdon som inte är kopplade till nåt. Men jag gissar att man kopplat genom chassiet på undersidan. Edit: Just det, med mastern på max får man ett otäckt "plopp" när man växlar mellan ren och distad kanal. Även vid samma volym som om man drar ner mastern och upp förstegsvolymen, då inget plopp förekommer. Underligt! Läste nånstans att @Racing var inblandad i designen. Kan man erhålla ett schema om man frågar snällt tro?  Edit: Verkar inte funka att tagga medlemmar. Eller?
|
| 30 Mar 2026, 10:29 |
|
 |
|
Lynxtrap
Joined: 13 Jul 2010, 13:24 Posts: 3052
|
 Re: KLD GT30-H
Ja schema hade ju inte varit fel för att kunna ta säga nåt definitivt om detta. Rena kanalen i en Classic 30 har väl 3 gainsteg varav nr2 lastas av tonestacken, så där blir väl mängden förstegsdist nåt i stil med vad man får ur en 70-tals Fender med mastervolym - förutsatt att den sitter innan fasvändaren.
Testa att maila Racing ifall han inte tittar in här så ofta.
_________________ "Hey mister turn it on, turn it up, turn me loose"
|
| 30 Mar 2026, 14:21 |
|
 |
|
arinihsd
Joined: 18 May 2010, 19:48 Posts: 1703 Location: Halmstad
|
 Re: KLD GT30-H
|
| 30 Mar 2026, 15:13 |
|
 |
|
Makten
Joined: 05 Aug 2004, 13:51 Posts: 2124
|
 Re: KLD GT30-H
Bifogar schema på Peaveyn, men jag har ingen aning om vad som skiljer. Nu kan jag konstatera att distkanalen beter sig väldigt underligt i allmänhet. Kör man ganska låg volym och måttlig gain så hör man att det är rent och distat ljud parallellt.  Så ska det rimligen inte vara. Maxar man gainen så blir det dessutom extremt diskantigt och låter "trasigt". Edit: Alltså, max 256 kB filstorlek. Måste vi vara fast i stenåldern? Går ju inte att ladda upp nåt alls då. Undrar hur min bild i första inlägget gick; den är betydligt större. Edit 2: Nu då...
|
| 30 Mar 2026, 15:51 |
|
 |
|
Makten
Joined: 05 Aug 2004, 13:51 Posts: 2124
|
 Re: KLD GT30-H
Öppnade, ser inget uppenbart konstigt. Dock är lödningarna på andra sidan kortet, så dem kan jag inte inspektera. Och eftersom jag inte har schemat vet jag inte exakt hur jag ska lyckas jorda kondingarna, och därmed vill jag inte stoppa ner fingrarna alls. Ursäkta den horribla bildkvallan, men det beror på forumets filstorleksbegränsning.
|
| 30 Mar 2026, 16:54 |
|
 |
|
Tubis
Joined: 27 Dec 2007, 15:16 Posts: 7513 Location: Uddevalla
|
 Re: KLD GT30-H
Makten wrote: vet jag inte exakt hur jag ska lyckas jorda kondingarna, och därmed vill jag inte stoppa ner fingrarna alls.
Positiva sidan på diodbryggan eller något av rörens anoder över en resistor till jord dränerar kondingarna.
_________________ Johan Hansson
|
| 30 Mar 2026, 17:12 |
|
 |
|
Makten
Joined: 05 Aug 2004, 13:51 Posts: 2124
|
 Re: KLD GT30-H
Tubis wrote: Makten wrote: vet jag inte exakt hur jag ska lyckas jorda kondingarna, och därmed vill jag inte stoppa ner fingrarna alls.
Positiva sidan på diodbryggan eller något av rörens anoder över en resistor till jord dränerar kondingarna. Just det, det hade jag förstås kunnat lista ut. Har skaplig koll, men det var länge sen jag petade med sånt här. Nån resistor har jag inte (är på landstället), men visst borde det gå fint att jorda anoden på första halva förstegsröret eftersom det då är skapliga resistorer mot kondingarna redan? Alltså det som är B+ i Peavey-schemat och som går till V1A. Edit: Jag vill egentligen bara kunna lossa kortet och kolla på baksidan, då det enda jag skulle kunna laga är om det är nån uppenbar lödning som släppt.
|
| 30 Mar 2026, 18:08 |
|
 |
|
Tubis
Joined: 27 Dec 2007, 15:16 Posts: 7513 Location: Uddevalla
|
 Re: KLD GT30-H
Makten wrote: men visst borde det gå fint att jorda anoden på första halva förstegsröret eftersom det då är skapliga resistorer mot kondingarna redan? Alltså det som är B+ i Peavey-schemat och som går till V1A.
Ja, anodresistorn skyddar konding och pcb mot för snabb urladdning.
_________________ Johan Hansson
|
| 30 Mar 2026, 18:37 |
|
 |
|
Makten
Joined: 05 Aug 2004, 13:51 Posts: 2124
|
 Re: KLD GT30-H
Jag har insett att jag nog ska ge fan i att pilla med det här när jag inte har vettiga grejer. Bättre att ta hem den och felsöka ordentligt sen när jag har multimeter, isolerade verktyg och allt sånt.
Men, jag börjar undra om det knepiga ljudet i distkanalen inte är att röret V2 (som bara används i den kanalen) är kass. När man börjar närma sig full gain så ökar volymen plötsligt tokmycket och det blir nästan bara diskant, samt extremt hård och frasig klippning. Som om signalen plötsligt tar en annan väg som den inte borde. Kanske kunde vara nån konding som läcker eller nåt i och för sig. Det där "ploppet" när man byter kanal med master på fullt borde kunna säga nåt också, men osäker på vad.
Reverbet däremot gissar jag är att footswitch-kontakten antingen är trasig eller felkopplad. För poten gör absolut ingenting alls, så signalen är helt opåverkad vad som än händer. Komplett avbrott nånstans mellan R20 och R22 alltså.
------
Edit: Även med ovanstående problem så funkar det fint på clean kanal och inget reverb. Låter ruggigt trevligt med en Jensen 15-tummare som följde med. Bra stuns i basen; såpass att man kan få ett ganska vettigt ljud för elbas till och med.
Edit 2: Eller vänta... Eftersom den saknade footswitchen sköter både reverb och kanalbyte, så kanske båda problemen faktiskt hänger ihop! Får fingranska switcheriet lite tror jag...
|
| 31 Mar 2026, 09:54 |
|
 |
|
Obi
Joined: 10 Nov 2005, 01:37 Posts: 1442 Location:
|
 Re: KLD GT30-H
Makten wrote: Jag har insett att jag nog ska ge fan i att pilla med det här när jag inte har vettiga grejer. Bättre att ta hem den och felsöka ordentligt sen när jag har multimeter, isolerade verktyg och allt sånt.
Men, jag börjar undra om det knepiga ljudet i distkanalen inte är att röret V2 (som bara används i den kanalen) är kass. När man börjar närma sig full gain så ökar volymen plötsligt tokmycket och det blir nästan bara diskant, samt extremt hård och frasig klippning. Som om signalen plötsligt tar en annan väg som den inte borde. Kanske kunde vara nån konding som läcker eller nåt i och för sig. Det där "ploppet" när man byter kanal med master på fullt borde kunna säga nåt också, men osäker på vad.
Reverbet däremot gissar jag är att footswitch-kontakten antingen är trasig eller felkopplad. För poten gör absolut ingenting alls, så signalen är helt opåverkad vad som än händer. Komplett avbrott nånstans mellan R20 och R22 alltså.
------
Edit: Även med ovanstående problem så funkar det fint på clean kanal och inget reverb. Låter ruggigt trevligt med en Jensen 15-tummare som följde med. Bra stuns i basen; såpass att man kan få ett ganska vettigt ljud för elbas till och med.
Edit 2: Eller vänta... Eftersom den saknade footswitchen sköter både reverb och kanalbyte, så kanske båda problemen faktiskt hänger ihop! Får fingranska switcheriet lite tror jag... När man drar ur fotpedalen så brukar ju reverbet vara "på" i de flesta förstärkare. Har ju iofs inte kollat schemat så vet inte om det stämmer här. Vad är det med dessa Peavey som gör att kinatillverkarna plankar? Hade en bugera v55 ett kort tag. Den var en plankning av Peavey classic 50. Typ 1500:- på begmarknaden vilket måste vara biilligt för 50W helrör.
|
| 31 Mar 2026, 10:18 |
|
 |
|
Makten
Joined: 05 Aug 2004, 13:51 Posts: 2124
|
 Re: KLD GT30-H
Obi wrote: När man drar ur fotpedalen så brukar ju reverbet vara "på" i de flesta förstärkare. Har ju iofs inte kollat schemat så vet inte om det stämmer här. Ja, det ska vara så enligt KLD-manualen också. Men med tanke på att stora delar av manualen är komiskt autoöversatt från kinesiska så vet man ju inte riktigt. Quote: Vad är det med dessa Peavey som gör att kinatillverkarna plankar? Hade en bugera v55 ett kort tag. Den var en plankning av Peavey classic 50. Typ 1500:- på begmarknaden vilket måste vara biilligt för 50W helrör. Antagligen att storleken är lagom, de låter bra och är relativt mångsidiga utan att ha jättekomplicerad kretslösning. Jag gav 2000:- för topp och låda. Då visste jag visserligen inte om knasigheterna, men jag vet ändå inte om jag kunnat hitta nåt "bättre" för samma peng i rätt landsända. Om inte annat kan jag använda delarna och bygga nåt eget i värsta fall. En Peavey Classic 30-kombo med tolva i verkar gå för 3-4 lax begagnat.
|
| 31 Mar 2026, 10:41 |
|
 |
|
Makten
Joined: 05 Aug 2004, 13:51 Posts: 2124
|
 Re: KLD GT30-H
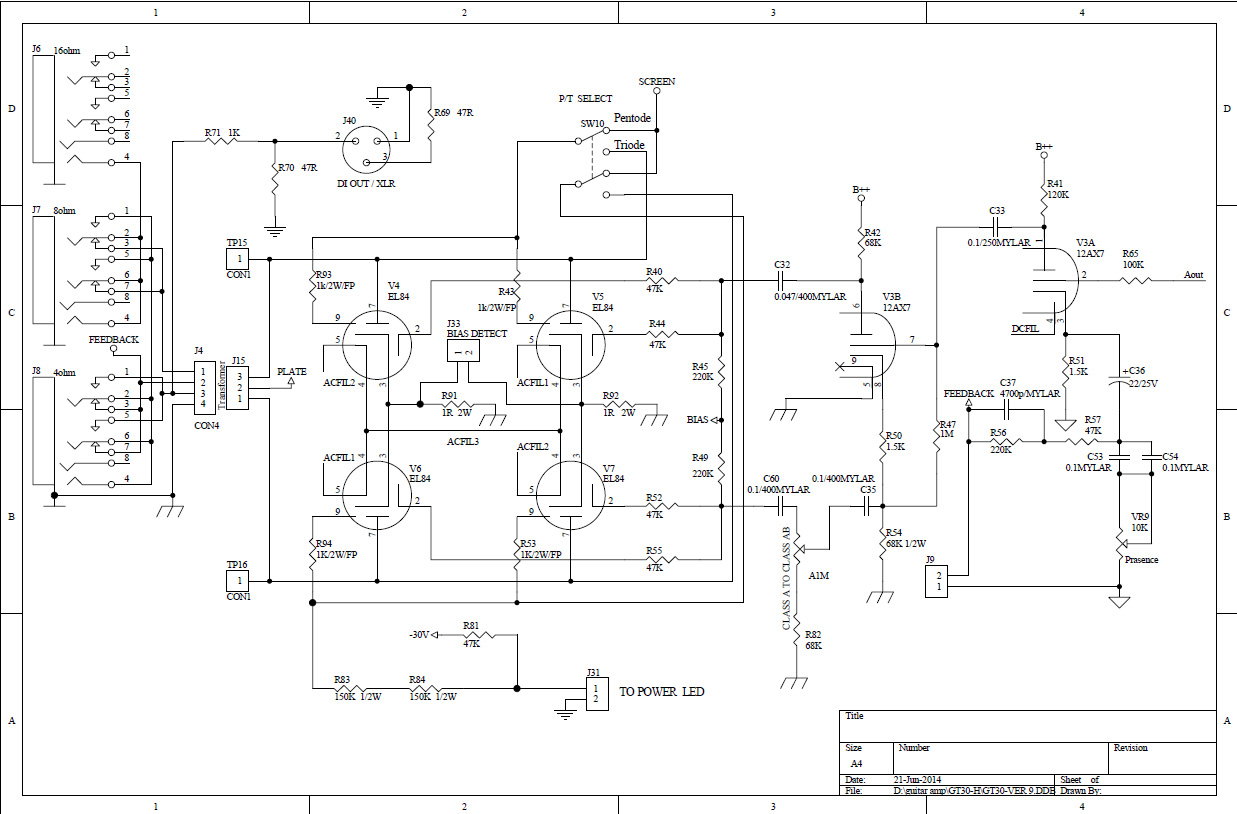
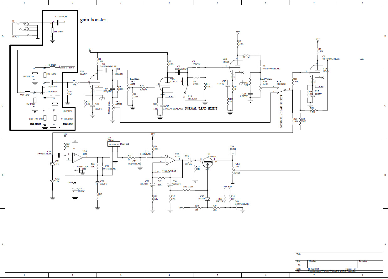
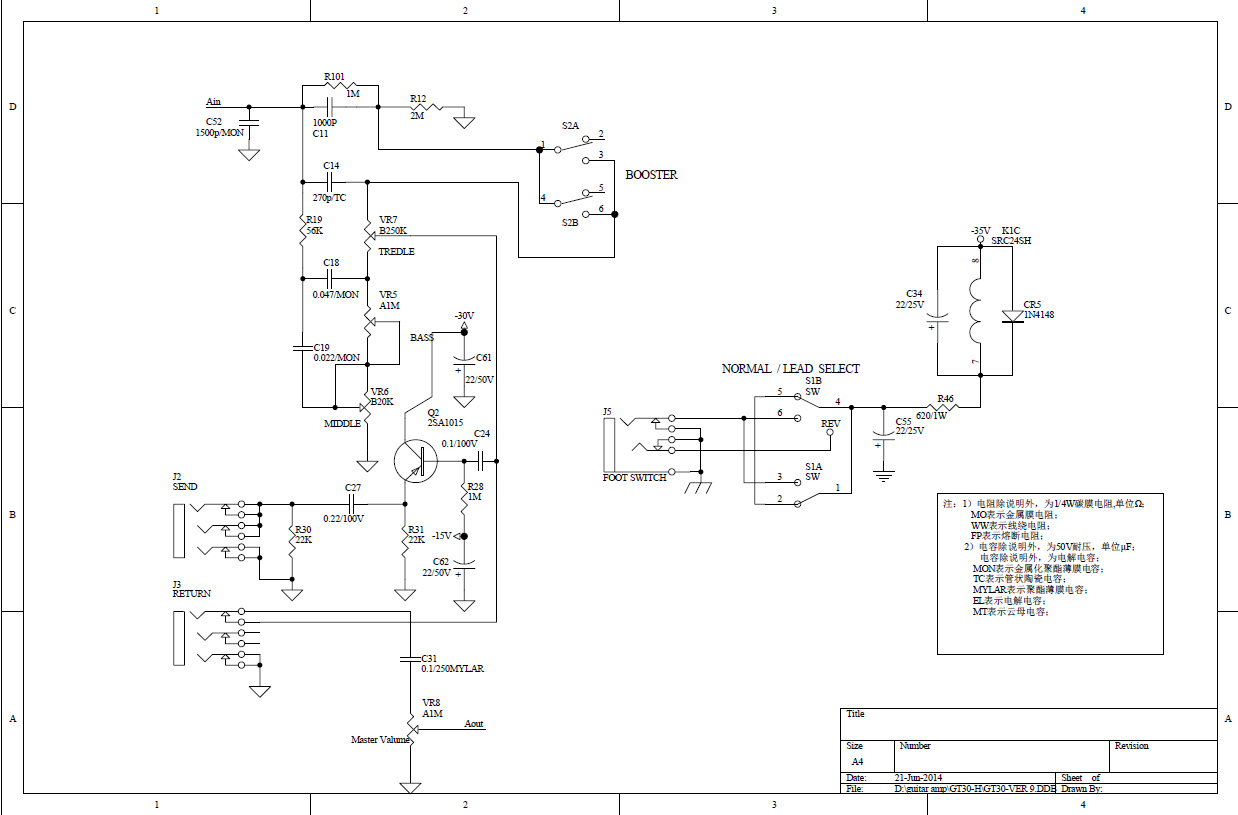
Jag mailade KLD om schema och fick svar efter ett par dagar!  Det jag som lekman ser direkt som skiljer sig från Peaveyn är: – Nån slags "gain boost" på ingången före rören. – Presence-kontroll i anslutning till ena fasvändarhalvans katod. – En (invändig?) pentod/triod-switch för slutsteget. – Nån trimpot A1M som det står "Class A to class AB" på, kopplad till ena slutrörsparets galler. – Mastervolym efter tonstack/effektloop men innan fasvändaren.
|
| 01 Apr 2026, 15:49 |
|
 |
|
Tubis
Joined: 27 Dec 2007, 15:16 Posts: 7513 Location: Uddevalla
|
 Re: KLD GT30-H
Om ingången är boostad mycket blir det lite för hög signal in i rörsteg 2 om man ställer leadgain högt enligt mina laborationer. Speciellt med den där mikroskopiska 620ohm gridstoppern. Det skulle kunna förklara "Maxar man gainen så blir det dessutom extremt diskantigt och låter "trasigt".
Boostern känns dock som någon form av efterhandstillägg så som de ritat på schemat och det finns två variabler om hur mycket den boostar. Är det ett kitt man kan köpa till?
Plopp kan förekomma med reläswitch om det ligger brus, brum eller dylikt med eftersom reläet hårdswitchar detta ljud vilket då slår högtalaren abrupt från ett läge till ett annat.
Sen kan allt det där i stället bero på att saker är trasiga.
_________________ Johan Hansson
|
| 01 Apr 2026, 16:44 |
|
|